The RS-775 is small brush DC motor. The motor is light weight, high torque and big power. It's small size and easy to mount.
The RS-775 is widely used in electric tools, vacuum cleaner, water pump, etc.
Features:
Data Sheet:
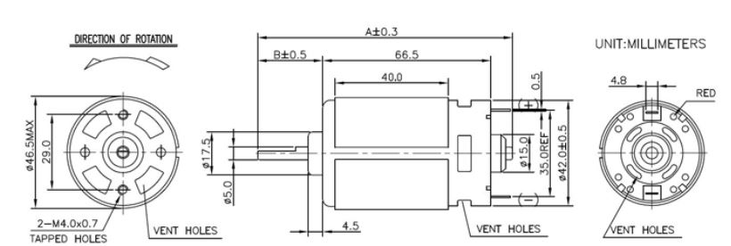
Dimension:
Applications:

Electric Drill

Vacuum Cleaner

Water Pressure Pump