The RS-365 is small brush DC motor. The motor is light weight, very compact and easy to mount.
The RS-365 is widely used in electric tools, auto parts, and RC car etc.
Features:
Data Sheet:
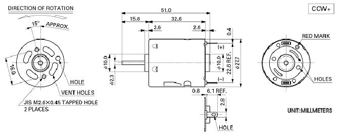
Dimension:
Applications:

Heat Gun

Windshield Washer

Electric RC Car